SÍGANOS:

Productos
Interruptor de leva giratorio combinado 63A
  • Interruptor de leva giratorio combinado 63AInterruptor de leva giratorio combinado 63A
  • Interruptor de leva giratorio combinado 63AInterruptor de leva giratorio combinado 63A

Interruptor de leva giratorio combinado 63A

Con más de 30 años de experiencia en la industria, YAMING (Zhejiang Yaming Electric) aprovecha sus sólidas capacidades técnicas y su riguroso control de calidad para crear el interruptor de leva giratorio combinado 63A de la serie HZ5. Este producto es compatible con sistemas de CA de 50 Hz, con una tensión nominal de 380 V CA/240 V CC y una corriente de 63 A. Ofrece un rendimiento estable y eficiente, opciones de personalización completas y puede realizar funciones de conmutación de circuitos y accionamiento de motor. Como fabricante profesional originario de China, YAMING es un proveedor confiable de interruptores eléctricos para clientes de todo el mundo.

YAMING ha estado profundamente involucrado en el campo de los interruptores eléctricos durante más de 30 años, convirtiéndose en un líder confiable en la industria a través de una sólida experiencia y un estricto control de calidad. Como fabricante con sede en China, controlamos estrictamente la calidad del producto durante todo el proceso para garantizar la seguridad y confiabilidad de nuestro interruptor de leva giratorio combinado 63A. Nuestra fábrica está equipada con equipos de última generación y un equipo profesional, lo que permite una producción refinada a gran escala y una respuesta rápida a las demandas del mercado. Con nuestra solidez profesional, nos hemos convertido en un proveedor confiable para clientes de todo el mundo.


Parámetros principales del producto


Los parámetros principales del interruptor de leva giratorio combinado 63A (serie HZ5) de YAMING se han sometido a pruebas rigurosas y son adecuados para diversos escenarios, como se detalla a continuación:


- Sistemas aplicables: Diseñado específicamente para sistemas de CA de 50 Hz, compatible con escenarios de CC, que ofrece una amplia adaptabilidad;


- Parámetros nominales: voltaje nominal de hasta 380 V CA/240 V CC, corriente 63 A, gran capacidad de carga;


- Características principales: estructura de leva avanzada, funcionamiento suave, que garantiza una conmutación de circuito estable y elimina la interrupción de la señal.


Funciones principales


- Control de circuito: permite la conmutación, el control y la conversión de circuitos intermitentes manuales, con una operación conveniente;


- Motor Drive: Puede accionar directamente pequeños motores de CA, simplificando el diseño y reduciendo costos;


- Adaptabilidad integral: combina funciones principales de control y medición, admite la regulación de la velocidad del motor;


- Servicio de personalización: el número de polos y engranajes se puede personalizar para satisfacer las necesidades individuales.


Escenarios aplicables


Este interruptor de leva giratorio combinado 63A se usa ampliamente en automatización industrial, equipos eléctricos y otros campos. Es compatible con máquinas herramienta, bombas de agua y otros equipos, que atienden condiciones operativas comerciales e industriales complejas, y es una solución de conmutación rentable y de alto rendimiento.


Ventajas del producto


1. Ventajas tecnológicas: Al integrar más de 30 años de acumulación tecnológica, componentes de alta calidad combinados con procesos avanzados garantizan estabilidad, durabilidad y una larga vida útil.


2. Ventajas de la calidad: El estricto control de calidad durante todo el proceso elimina los productos de calidad inferior, garantizando una calidad confiable.


3. Ventajas de la personalización: admite una personalización completa, coincidiendo con precisión con los escenarios del cliente y los requisitos de parámetros.


4. Ventajas del servicio: Aprovechando una cadena de suministro completa y un equipo profesional en China, brinda soporte técnico oportuno y garantía posventa.


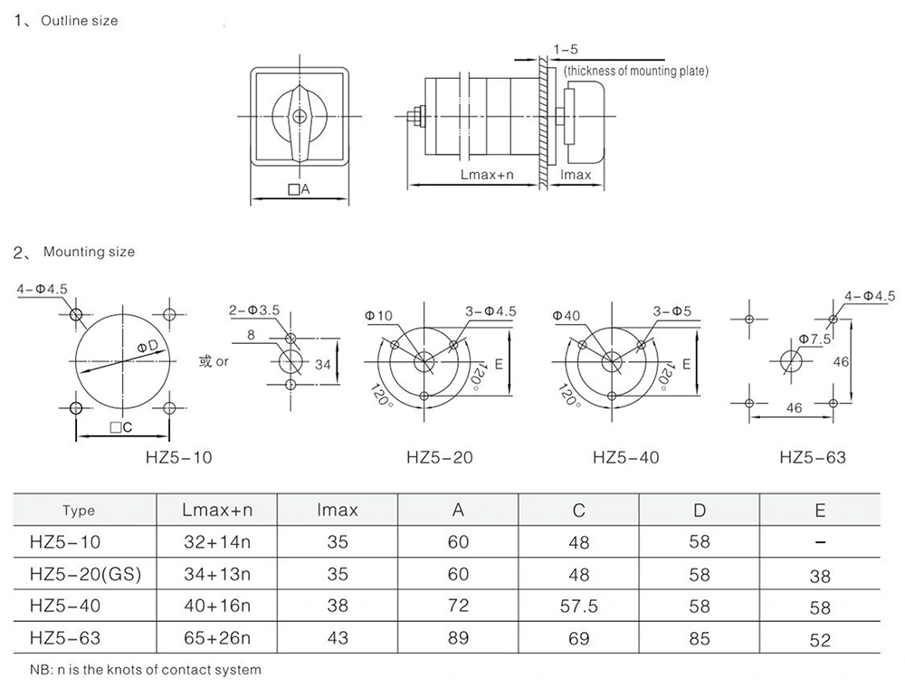
Tamaño del esquema del producto tamaño de instalación



Compromiso de marca


Como fabricante chino local, YAMING está comprometido con el "profesionalismo, la confiabilidad y la innovación". Con más de 30 años de experiencia, capacidades de fábrica avanzadas y un estricto control de calidad, YAMING ofrece productos y soluciones de alta calidad a clientes globales, esforzándose por convertirse en un socio confiable a largo plazo.



Etiquetas calientes: Interruptor de leva giratorio combinado 63A China, fabricante, proveedor, fábrica
Enviar Consulta
Datos de contacto
  • DIRECCIÓN

    No.8 Yaming Road, zona industrial de Xiangyang, ciudad de Yueqing, provincia de Zhejiang, China

  • Teléfono

    +86-13968778552

  • Correo electrónico

    petzane@cnym.cn

Si tiene alguna consulta sobre cotización o cooperación, no dude en enviarnos un correo electrónico o utilizar el siguiente formulario de consulta. Nuestro representante de ventas se comunicará con usted dentro de las 24 horas.
X
Utilizamos cookies para ofrecerle una mejor experiencia de navegación, analizar el tráfico del sitio y personalizar el contenido. Al utilizar este sitio, acepta nuestro uso de cookies. política de privacidad
Rechazar Aceptar