SÍGANOS:

Productos
Interruptor de leva giratorio combinado 20A 4kw
  • Interruptor de leva giratorio combinado 20A 4kwInterruptor de leva giratorio combinado 20A 4kw

Interruptor de leva giratorio combinado 20A 4kw

Yaming, con más de 30 años de experiencia en la industria, lanza el interruptor de leva giratorio combinado de 20 A y 4 kW, que proporciona soluciones de control estables, eficientes y personalizables para varios circuitos. Como fabricante profesional con sede en China, confiamos en nuestras sólidas capacidades técnicas y nuestro riguroso sistema de gestión de calidad, comenzando por nuestras avanzadas instalaciones de producción, para proporcionar productos de interruptores confiables a clientes industriales de todo el mundo, convirtiéndonos en un proveedor confiable.

Zhejiang Yaming Electric tiene más de 30 años de experiencia profesional en la industria eléctrica. Con sus sólidas capacidades técnicas y su riguroso sistema de gestión de calidad, se ha convertido en un proveedor líder y confiable de interruptores eléctricos. Nuestra sólida base corporativa proporciona a los socios globales un rendimiento estable del producto y garantías de suministro confiables.


Al integrar procesos de fabricación sofisticados y tecnología avanzada, Yaming se enorgullece de lanzar el interruptor de leva giratorio combinado de 20 A y 4 kW. Este producto meticulosamente diseñado combina durabilidad y flexibilidad operativa, proporcionando soluciones de control estables, eficientes y personalizadas para diversas aplicaciones de circuitos.


Especificaciones técnicas


El interruptor de leva giratorio combinado de 20 A y 4 kW pertenece a la serie HZ5 de interruptores combinados. Sus principales especificaciones técnicas son las siguientes: Los circuitos aplicables son AC 50Hz; voltaje de funcionamiento nominal: CA máximo 380 V, CC máximo 240 V; corriente nominal: máximo 63A; potencia nominal: 4kW; La corriente nominal para este modelo es 20A.


Aplicaciones principales


El interruptor de leva giratorio combinado de 20 A y 4 kW es adecuado para control y conmutación de circuitos manuales y poco frecuentes. Las aplicaciones típicas incluyen control directo de motores de CA de pequeña capacidad, uso como dispositivo de control principal y medición de circuitos, regulación de velocidad del motor y conmutación y conversión de circuitos generales en diversos equipos eléctricos.


Características del producto


El interruptor de leva giratorio combinado de 20 A y 4 kW ofrece un rendimiento estable y una amplia gama de aplicaciones, adecuado para diversos escenarios industriales y comerciales. Es compatible con estándares de voltaje y corriente reconocidos a nivel mundial, lo que facilita su uso global. Admite conexión y desconexión manual de circuitos poco frecuentes, lo que permite el control directo de motores de CA de pequeña capacidad y control multifuncional. También se encuentran disponibles servicios de personalización, con el rango del interruptor y el número de polos totalmente personalizados para satisfacer las necesidades específicas del cliente.


Aplicación del producto



Parámetros técnicos



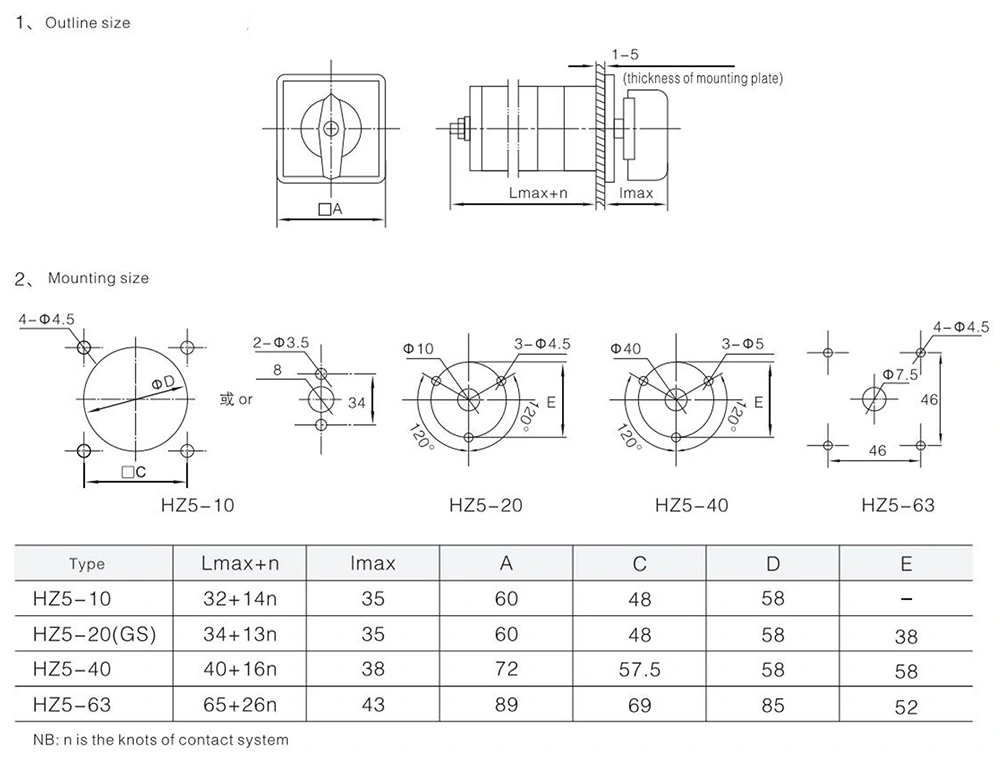
Tamaño del esquema del producto tamaño de instalación


Etiquetas calientes: Interruptor de leva giratorio combinado 20A 4kw China, fabricante, proveedor, fábrica
Enviar Consulta
Datos de contacto
  • DIRECCIÓN

    No.8 Yaming Road, zona industrial de Xiangyang, ciudad de Yueqing, provincia de Zhejiang, China

  • Teléfono

    +86-13968778552

  • Correo electrónico

    petzane@cnym.cn

Si tiene alguna consulta sobre cotización o cooperación, no dude en enviarnos un correo electrónico o utilizar el siguiente formulario de consulta. Nuestro representante de ventas se comunicará con usted dentro de las 24 horas.
X
Utilizamos cookies para ofrecerle una mejor experiencia de navegación, analizar el tráfico del sitio y personalizar el contenido. Al utilizar este sitio, acepta nuestro uso de cookies. política de privacidad
Rechazar Aceptar